One controller can be in command of many MOSFET’s which individually can be put on or off remotely and has an electronic fuse state memory to know in which state it is during disconnection. Control equipment can be connected for monitoring voltage and current level.
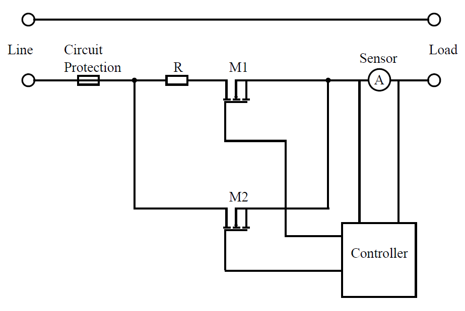
Sometimes the electronic fuses are constructed with two MOSFET’s as seen in Figure 2.9. At start-up, the transistor M1 opens first and once steady state has been reached, M2 will be switched on. Because of the higher resistance R, the current will flow through M2 instead of M1. With this design high start-up currents are limited. M1 is kept on but due to the resistance R only a negligible part of the current will flow through it. If an overload or a current transient occurs the controller turns M2 off and the resistance prevents over currents. If the fault condition lasts longer than the programmed time-current curve allows, M1 will also be turned off and break the circuit.
![]() |
| Figure 2.9: A simple circuit diagram of an electronic fuse. |
An electronic fuse does not have galvanic insulation and if exposed of too high currents the MOSFET become short circuited. To be able to guarantee circuit protection and to protect the MOSFET from destruction a melting fuse or a circuit breaker often is placed in series. An electronic fuse can limit relatively high currents, as long as the current through the MOSFET stays in the safe operating area.
An electronic fuse has a short trip time. Except for the time needed by the electronic control unit to create the control signal, the trip time only depends on the recombination conditions of the transistor. Since consisting of a MOSFET, an electronic fuse has a leakage current in off mode (Ileak < 10mA) and a voltage drop at ON state. The voltage drop, caused by RDS(on) of the MOSFET, results in heat losses which must be cooled off by a heat sink. The heat sink needed is often relatively expensive which results in increased cost of the electronic fuse.

